
单列圆锥滚子轴承结构主要由圆锥形内外圈、保持架和一组圆锥滚子组成,属分离型轴承,即由带滚子与保持架组件的内圈组成的圆锥内圈组件可以与圆锥外圈分开安装,一般成对使用,轴承游隙需用户在安装时调整。
单列圆锥滚子轴承结构特点是所有圆锥表面的投影线都在轴承轴线的同一点相聚,理想状态下实现滚子纯滚动运行,这种设计使得圆锥滚子轴承可以承受以径向为主的径、轴向联合载荷。
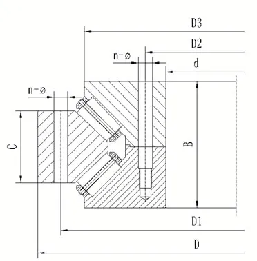
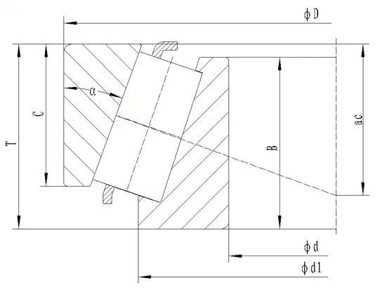
双列圆锥滚子主轴承是一种常见的滚动轴承,主要用于承受联合载荷,即同时承受径向载荷和轴向载荷。这种轴承内部结构设计独特,通常包含有内圈、外圈以及在两者之间均匀分布的多组圆锥滚子。
双列圆锥滚子轴承的滚子呈圆锥形,其滚动面与滚道相切,可以在轴向和径向都能够形成有效的负荷承载面,因此能同时承受较大的径向载荷和双向的轴向载荷,并且具有较高的承载能力和刚性。
目前单列圆锥滚子轴承和双列圆锥滚子轴承均可根据客户定制不同设计及制造方案,可生产渗碳钢、贝氏体、及采用无软带淬火技术的合金钢的轴承,目前主要客户为明阳、远景、三一(SANY)、东气、海装等风机头部企业。目前已设计并交付3~25MW的主轴承。
2022年7月28日,12兆瓦海上抗台风型风力发电机组主轴轴承,直径3.5米,重量超过14吨,可承受47500KNM的倾覆力矩。在研制过程中,新强联针对海上恶劣的工况,还通过对中频淬火无软带工工艺攻关、通过对感应器改进,使滚道淬硬层深度超过10毫米,满足了高承载能力的要求。