
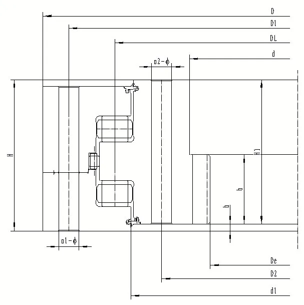
变桨轴承,也称为叶片轴承,是现代风力涡轮机的一个部件,用于连接转子轮毂和转子叶片。轴承允许所需的振荡来控制风力涡轮机的负载和功率。变桨系统通过调整气动迎角将叶片带到所需位置。变桨系统也用于涡轮系统的紧急中断。三排圆柱滚子变桨轴承包括内圈和外圈,内圈和外圈之间设有两排承受轴向力,以及一排承受径向力的径向滚子。
该轴承结构简单、使用便捷、采用三排圆柱滚子作为滚动体,具有承载能力大,刚性强的优点,并且风力发电机的三个变桨轴承在工作时可以实现独立变桨,有利于风机结构的平衡,可以避免风叶受力过载的问题,提高发电的效率。
我们公司在风电行业处于领先地位,在中国首先实现生产了三排滚子变桨轴承应用。
2024年6月5日,18兆瓦半直驱大功率海上风电机组在广东完成吊装,该风电机组是当前全球已安装的最大功率等级海上风电装备。该机组使用的是新强联自主研发的海上半直驱18MW主轴承、变桨轴承、偏航轴承。