洛阳新强联回转支承股份有限公司
  • 
    • English中文
  • 首页
  • 关于我们 +
    • 公司介绍
    • 发展历程
    • 资质证书
  • 公司优势 +
    • 研发与创新
    • 生产能力
    • 质量控制
  • 产品 +
    • 市场 +
      • 风电能源
      • 盾构机
      • 摩天轮
      • 港口机械
      • 工程机械
      • 矿山机械
      • 堆取料机
      • 浮吊船
      • 机床
      • 冶金设备
    • 服务 +
      • 轴承的定制
      • 轴承的安装与调试
      • 轴承的检查与维护
      • 轴承备件的更换以及维修
      • 轴承备件服务以及物流运输
    • 视频
    • 联系信息
    偏航轴承

    偏航轴承

    • 首页
    • 产品
    • 风电轴承
    • 偏航轴承
    偏航轴承
    询价

    偏航轴承是安装于风力发电机组机舱底座总成的偏航机构,承载着风力发电机主传动系统的全部质量。偏航轴承必须承受巨大的静态和动态负荷,包括风力作用下的倾覆力矩、自身重量以及恶劣环境下的外部冲击。总之,偏航轴承是确保风力发电机组高效、稳定运行的重要组成部分,它的性能直接影响着风电机组的整体效能和使用寿命。

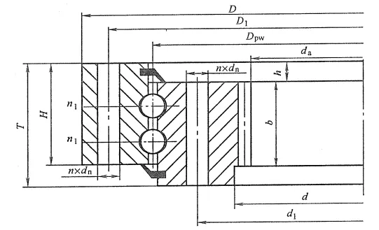
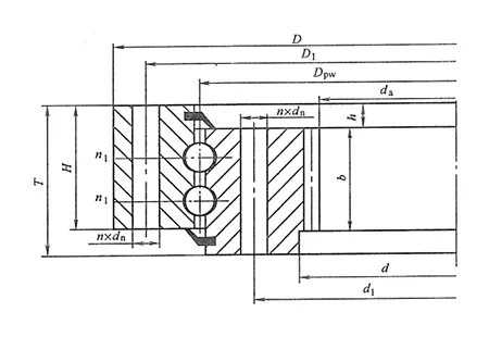
    偏航轴承多采用单排四点接触球轴承和双排四点接触球轴承,齿轮可采用外齿或者内齿结构。我们公司已经生产了多种型号的偏航轴承,适用于功率范围从1.5MW到25MW的风力发电机组。

    内齿式
    内齿结构
    内齿结构
    内齿结构
    外齿式
    外齿结构
    外齿结构
    外齿结构
    我们能提供的相关产品

    我们的主要产品包括风力发电机组主轴承、偏航轴承、变桨轴承、齿轮箱轴承、船用设备回转支承、隧道掘进机轴承及部件、风力发电机锁紧盘、联轴器等等。

    齿轮箱轴承
    齿轮箱轴承

    我们能提供的风电齿轮箱轴承,轴承加工尺寸范围可达200~2000mm,齿轮箱功率可达20MW, 轴承精度等级可达P6/P5,轴承类型涵盖单列圆锥滚子轴承、双列配对圆锥滚子轴承、单列圆柱滚子轴承、单列圆柱无外圈滚子轴承、双列圆柱无外圈滚子轴承,保持架包括冲压钢保持架和机加工黄铜一体式保持架。

    锁紧盘、联轴器
    锁紧盘、联轴器

    风电锁紧盘是风力发电机组主传动轴与高速齿轮箱之间传递大扭矩的连接部件,对风力发电机组的安全起着非常重要的作用。我公司研发生产的系列风电锁紧盘产品包括:FN系列风电锁紧盘,FD系列风电锁紧盘,SYP系列液压锁紧盘,FSD系列锁紧盘等,涵盖功率为750KW-14.XMW全系列的主流风机。

    锁紧盘、联轴器
    锁紧盘、联轴器

    风电高速联轴器是专门用于风电增速箱与发电机连接的柔性可控扭联轴器。其特点是结构紧凑、寿命长、无噪声、不用润滑,耐酸碱、防腐蚀,传递扭矩大,可补偿由于制造误差、安装误差、工作载荷变化引起的震动、冲击、变形、温度变化等综合因素形成的轴向、径向、角度一定的偏移量,并且有超强的绝缘性。

    双列调心滚子主轴承
    双列调心滚子主轴承

    双列调心滚子主轴承具有双列滚子,外圈有1条共用球面滚道,内圈有2条滚道并相对轴承轴线倾斜成一个角度。这种巧妙的构造使它具有自动调心性能,因而不易受轴与轴承箱座角度对误差或轴弯曲的影响,适用于安装误差或轴挠曲而引起角度误差之场合。

    轴承其他行业的应用
    其他产品
    盾构机轴承
    盾构机轴承 查看更多
    大型海工装备回转支承
    大型海工装备回转支承 查看更多
    轴承零件
    轴承零件 查看更多
    关节轴承
    关节轴承 查看更多
    通用型回转支承
    通用型回转支承 查看更多
    洛阳新强联回转支承股份有限公司
    lyxql01@163.com
    +86-379-62811090
    联系我们
    公司优势
    • 研发与创新
    • 生产能力
    • 质量控制
    服务
    • 轴承的定制
    • 轴承的安装与调试
    • 轴承的检查与维护
    • 轴承备件的更换以及维修
    • 轴承备件服务以及物流运输
    产品
    • 通用型回转支承
    • 关节轴承
    • 风电轴承
    • 盾构机轴承
    • 大型海工装备回转支承
    • 轴承零件
    市场
    • 风电能源
    • 盾构机
    • 摩天轮
    • 港口机械
    • 工程机械
    • 矿山机械
    • 堆取料机
    • 浮吊船
    • 机床
    • 冶金设备