
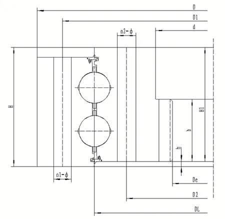
双排四点接触球变桨轴承是一种特殊设计的大型回转支承轴承,主要用于风力发电机组中变桨机构的核心部位。这种轴承的特点是拥有两排钢球,滚道采用四点接触结构,因此得名双排四点接触球轴承。双排四点接触球轴承拥有上下两排钢球,每排钢球均通过相应的滚道和保持架来引导和支撑,使得整个轴承能够同时承载较大的轴向载荷和径向载荷,而且由于其“四点接触”结构设计,可以在一定角度范围内提供稳定的支承,适合于变桨机构中叶片需不断调整桨距的需求。
我们公司已经生产了多种型号的变桨轴承,适用于功率范围从1.5MW到20MW的风力发电机组。
2024年6月5日,18兆瓦半直驱大功率海上风电机组在广东完成吊装,该风电机组是当前全球已安装的最大功率等级海上风电装备。该机组使用的是新强联自主研发的海上半直驱18MW主轴承、变桨轴承、偏航轴承。