
交叉圆柱滚子回转支承滚动体与滚道为线接触,刚性较好,回转相对稳定,既能同时承受轴向载荷、径向载荷、倾覆力矩,也能承受单个方向载荷。理论动负荷较高,承受冲击载荷的能力好。但滚动体运转中摩擦阻力相对较大,旋转速度低。内部间隙小,对安装座架精度的变形较为敏感。
客户无特殊要求时一般选用42CrMo4材质,滚道中频淬火。也可根据客户提供的具体条件及要求选用其他牌号的钢种。
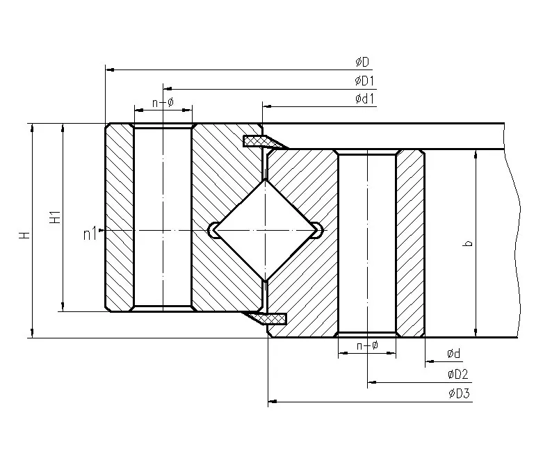
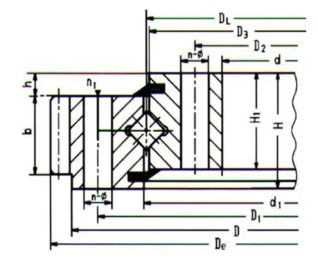
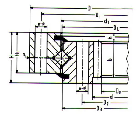
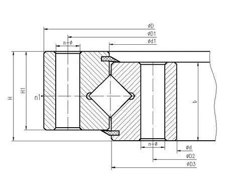
交叉滚子式回转支承分为外齿式、内齿式、无齿式三种。三种形式结构均由套圈(内圈+外圈)、滚子、隔离块(根据需要)、密封圈组成,根据需要增加防尘密封(防尘罩、挡灰板)。