洛阳新强联回转支承股份有限公司
  • 
    • English中文
  • 首页
  • 关于我们 +
    • 公司介绍
    • 发展历程
    • 资质证书
  • 公司优势 +
    • 研发与创新
    • 生产能力
    • 质量控制
  • 产品 +
    • 市场 +
      • 风电能源
      • 盾构机
      • 摩天轮
      • 港口机械
      • 工程机械
      • 矿山机械
      • 堆取料机
      • 浮吊船
      • 机床
      • 冶金设备
    • 服务 +
      • 轴承的定制
      • 轴承的安装与调试
      • 轴承的检查与维护
      • 轴承备件的更换以及维修
      • 轴承备件服务以及物流运输
    • 视频
    • 联系信息
    四点接触球回转支承

    四点接触球回转支承

    • 首页
    • 产品
    • 通用型回转支承
    • 四点接触球回转支承
    四点接触球回转支承
    四点接触球回转支承 四点接触球回转支承

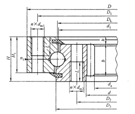
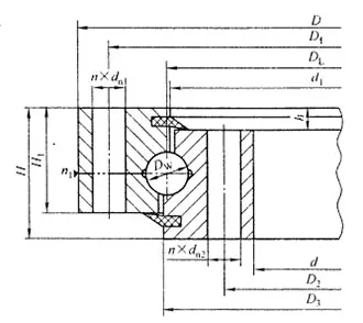
    四点接触球回转支承是滚动体与滚道为点接触,结构紧凑回转灵活,既能同时承受轴向载荷、径向载荷、倾覆力矩,也能承受单个方向载荷。在满足相同工况载荷下,四点球回转支承具有截面尺寸小,重量轻的优点。

    当客户无特殊要求时一般选用42CrMo4材质,滚道中频淬火。也可根据客户提供的具体条件及要求选用其他牌号的钢种。

    询价
    加工能力

    目前我们公司已加工的整体结构四点接触球回转支承最大外径8.5米

    (可根据用户的要求定制各种非标产品)

    四点接触球回转支承
    基本类型

    可分为外齿式、内齿式、无齿式三种。三种形式结构均由套圈(内圈+外圈)、钢球、隔离块(保持架)、密封圈组成,根据需要增加防尘密封(防尘罩、挡灰板)。

    基本类型
    外齿式
    外齿式
    外齿式

    外圈带齿,由于齿轮的啮合在外面,对安装空间的要求相较于内齿式要大一些。

    内齿式
    内齿式
    内齿式

    内圈带齿,由于齿轮的啮合在轴承的内部,所以对安装空间要求相对较小,相比较外齿的结构更节省空间。

    无齿式
    无齿式
    无齿式

    内、外圈均不带齿

    应用案例

    新强联一直为我们的客户提供各种类型的回转支承、锁紧盘、工业锻件及相关配件的研发、生产制造和销售,产品主要应用于风力发电机组、海工装备、盾构机和工程机械等领域。

    了解更多
    起重机用回转支承 起重机用回转支承
    挖掘机用的回转支承 挖掘机用的回转支承
    堆取料机用的回转支承 堆取料机用的回转支承
    我们能提供的相关产品

    我们的主要产品包括风力发电机组主轴承、偏航轴承、变桨轴承、齿轮箱轴承、船用设备回转支承、隧道掘进机轴承及部件、风力发电机锁紧盘、联轴器等等。

    双排球回转支承
    双排球回转支承

    双排球回转支承产品是滚动体与滚道为点接触,双列钢球分别承受上下方向的载荷。此类结构对安装精度以及座架的变形敏感较小,可靠性好,对不利环境的容差能力强。

    三排圆柱滚子回转支承
    三排圆柱滚子回转支承

    三排圆柱滚子回转支承是滚动体与滚道为线接触,刚性好回转稳定,是一种综合承载能力最强的回转支承,既能同时承受轴向载荷、径向载荷、倾覆力矩,也能承受单个载荷,因三排滚道各自承受不同的载荷,能满足不同组合载荷。对安装座架精度的变形较为敏感。

    球柱联合回转支承
    球柱联合回转支承

    球柱联合式式回转支承的滚子与滚道为线接触,钢球与滚道为点接触,安装便捷,回转稳定,两排滚道各自承受不同的载荷,轴向承载能力强,并能同时承受一定的倾覆力矩和径向力,该产品大部分为外齿式结构,由于齿轮的啮合在外面,对安装空间的要求相较于内齿式要大一些。

    交叉圆柱滚子回转支承
    交叉圆柱滚子回转支承

    交叉圆柱滚子回转支承滚动体与滚道为线接触,刚性较好,回转相对稳定,既能同时承受轴向载荷、径向载荷、倾覆力矩,也能承受单个方向载荷。理论动负荷较高,承受冲击载荷的能力好。但滚动体运转中摩擦阻力相对较大,旋转速度低。内部间隙小,对安装座架精度的变形较为敏感。

    其他产品
    关节轴承
    关节轴承 查看更多
    风电轴承
    风电轴承 查看更多
    盾构机轴承
    盾构机轴承 查看更多
    大型海工装备回转支承
    大型海工装备回转支承 查看更多
    轴承零件
    轴承零件 查看更多
    洛阳新强联回转支承股份有限公司
    lyxql01@163.com
    +86-379-62811090
    联系我们
    公司优势
    • 研发与创新
    • 生产能力
    • 质量控制
    服务
    • 轴承的定制
    • 轴承的安装与调试
    • 轴承的检查与维护
    • 轴承备件的更换以及维修
    • 轴承备件服务以及物流运输
    产品
    • 通用型回转支承
    • 关节轴承
    • 风电轴承
    • 盾构机轴承
    • 大型海工装备回转支承
    • 轴承零件
    市场
    • 风电能源
    • 盾构机
    • 摩天轮
    • 港口机械
    • 工程机械
    • 矿山机械
    • 堆取料机
    • 浮吊船
    • 机床
    • 冶金设备